陽極泥磨粉機在陽極生產工藝流程中的應用

陽極泥磨粉機
陽極泥磨粉生產工序是陽極炭素生產的一道關鍵工序,其生產的核心設備為陽極泥磨粉機。目前國內陽極炭素生產系統采用的陽極泥磨粉機主要有球磨機和雷蒙磨兩種,隨著炭素工藝的發展,對于陽極泥磨粉細度的要求越來越高,部分廠家要求粉磨到10微米以下,傳統陽極泥磨粉機就難以滿足生產需求。作為專業的陽極泥磨粉機生產廠家,桂林鴻程順應市場需求,推出了環輥磨粉機及超細立磨兩種超細陽極泥磨粉機,可粉磨3-45微米細度陽極泥,以滿足陽極炭素精細化的發展需求。如果想要了解設備詳情,歡迎給我們來電,聯系電話:18878317066 蔣工。今天就為大家介紹一下陽極泥磨粉機在陽極生產工藝流程中的應用。

陽極生產工藝流程
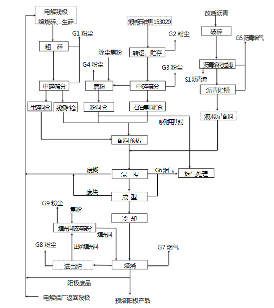
電解鋁用預焙陽極生產采用煅燒石油焦、瀝青和返回料(電解鋁廠返回的電解殘極、焙燒碎料、生碎料)為原料。原料經破碎、篩分、配料,生產出生陽極,再經焙燒得到預焙陽極產品。其生產工藝可簡述為:(1)原料貯運;(2)返回料處理;(3)液體瀝青制備;(4)生陽極制造;(5)陽極焙燒五個工序。其中陽極泥磨粉機在陽極生產工藝流程中的應用主要在生陽極制造步驟。
生陽極制造包括中碎篩分、磨粉、配料、混捏和成型冷卻等生產工序。為保證陽極產品的致密性,生陽極制造時需要加入一定比例的粉料(約45%左右)填充粒料之間的間隙。粉料主要來源為收塵系統收集的焦粒粉塵、石油焦中碎篩分出的部分細碎粒(6~0mm)。來料由陽極泥磨粉機粉碎成粉料,其工藝流程為:由電磁振動給料機定量喂入陽極泥磨粉機內,從磨粉機出來的含塵氣體經風選器分選后,粗粒子料被分離后返回磨粉機再磨,合格細粉經旋風收料器收集后送入粉料配料倉,循環風經通風機進入磨粉機用于循環生產。磨粉過程中產生的多余風經凈化處理后排入大氣。粉料除用于配料之外,部分粉料用作混捏、成型過程瀝青煙氣的吸附劑,用于瀝青煙氣的吸附處理,吸附瀝青煙氣后直接進入混捏工段。